Vít Trí Inox Xẻ Rãnh Đầu Nhọn – Cấu Tạo, Ứng Dụng & Báo Giá
Vít Trí Inox Đầu Nhọn, Vít Định Vị Xẻ Rãnh Là Gì? Ứng Dụng Trong Cơ Khí, Lắp Ráp
Vít trí inox xẻ rãnh đầu nhọn, còn gọi là vít định vị inox xẻ rãnh, vít đầu nhọn inox, là loại vít dùng để cố định hai chi tiết cơ khí đã lắp ghép, đảm bảo vị trí chính xác trong thiết kế.
Ứng dụng rộng rãi trong:
Cơ khí chế tạo máy: giữ vị trí chi tiết chính xác trong cụm máy.
Lắp ráp thiết bị công nghiệp, điện tử.
Sản phẩm dân dụng: tủ bếp, tủ tivi, vòi sen, các chi tiết nhỏ cần cố định.
Thích hợp cho mọi lĩnh vực cần điều chỉnh chi tiết nhỏ chính xác.
Công Dụng Vít Trí Inox Đầu Nhọn, Vít Định Vị Inox Xẻ Rãnh
Định vị chính xác chi tiết máy: Cố định các chi tiết cơ khí tại đúng vị trí.
Dễ điều chỉnh: Có thể tháo ra, thay đổi vị trí, rồi xiết chặt lại.
Chịu lực tốt: Giữ chắc mối ghép, chịu rung động.
Ứng dụng rộng rãi: Từ ngành cơ khí, sản xuất máy móc, đến lắp đặt đồ gia dụng.
Thao tác đơn giản: Xiết bằng tua vít một cạnh nhờ đầu rãnh.
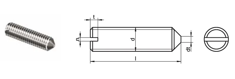
Cấu Tạo Vít Trí Inox Đầu Nhọn, Vít Xẻ Rãnh Định Vị
Vít trí xẻ rãnh đầu nhọn có cấu tạo đơn giản:
Thân vít:
Hình trụ tròn.
Tiện ren suốt toàn thân.
Thường dùng hệ ren mét.
Đầu vít:
Được xẻ rãnh để dùng tua vít một cạnh.
Giúp xiết vít dễ dàng, lực siết tốt.
Đầu còn lại:
Nhọn, giúp định vị chắc chắn vào chi tiết cần cố định.

Phân Loại Vít Trí Inox Đầu Nhọn, Vít Inox Xẻ Rãnh Chịu Lực
Inox 201
Bề mặt sáng bóng, thẩm mỹ.
Giá thành rẻ.
Chống ăn mòn kém hơn inox 304, 316.
Thích hợp cho môi trường khô ráo, ít ăn mòn.
Inox 304
Chống ăn mòn tốt, chịu lực cao.
Bề mặt sáng bóng, thẩm mỹ.
Phổ biến trong cơ khí, chế tạo máy.
Giá cao hơn inox 201.
Inox 316
Kháng ăn mòn vượt trội, chịu hóa chất, nước biển.
Cấp bền tương đương 8.8.
Giá cao hơn inox 304 và 201.
Dùng cho công trình đặc thù: biển, hóa chất.
Inox 316L
Chống ăn mòn hóa học còn tốt hơn inox 316.
Tính dẻo cao, dễ gia công.
Giá thành cao nhất trong các loại inox thông dụng.
Dùng cho môi trường ăn mòn khắc nghiệt.
Thông Số Kỹ Thuật – Kích Thước & Quy Cách
Thông số cơ bản:
Đường kính ren (M)
Chiều dài vít (mm)
Loại đầu vít (xẻ rãnh, đầu nhọn)
Ví dụ thông số (tham khảo):

Thi Công – Hướng Dẫn Sử Dụng
Bước thi công:
Chọn đúng loại vít về kích thước, vật liệu inox phù hợp.
Định vị hai chi tiết cần lắp.
Xiết vít bằng tua vít một cạnh.
Kiểm tra lực siết để đảm bảo độ chắc chắn.
Báo Giá Mới Nhất
Giá vít trí inox xẻ rãnh đầu nhọn phụ thuộc:
Loại inox (201, 304, 316, 316L)
Kích thước, chiều dài vít
Số lượng đặt hàng
Thị trường inox tại thời điểm mua
→ Để nhận báo giá chính xác, vui lòng cung cấp:
Loại inox mong muốn
Kích thước, chiều dài vít
Số lượng đặt hàng
Yêu cầu kỹ thuật đặc biệt (nếu có)
Việt Hàn cam kết báo giá nhanh, giá tốt nhất thị trường.
Tham khảo thêm các sản phẩm Vít Inox tại đây!
Mua Vít Trí Xẻ Rãnh Uy Tín Ở Đâu?
Công ty TNHH Đầu Tư TM Sản Xuất và XNK Việt Hàn tự hào là nhà cung cấp vít trí xẻ rãnh đầu nhọn chất lượng cao, với cam kết:
✅ Đúng kích thước, đủ tiêu chuẩn kỹ thuật.
✅ Chứng chỉ CO, CQ đầy đủ.
✅ Giá thành cạnh tranh nhất thị trường.
✅ Giao hàng toàn quốc, nhanh chóng.
✅ Tư vấn kỹ thuật tận tình, chi tiết.
Mọi thông tin quý khách vui lòng liên hệ:
CÔNG TY TNHH ĐẦU TƯ TM SẢN XUẤT VÀ XNK VIỆT HÀN
Địa chỉ: 100-B3 Nguyễn Cảnh Dị, KĐT Đại Kim, Hoàng Mai, Hà Nội.
Điện thoại: 0917014816 / 0979293644
Email: cokhiviethan.hanoi@gmail.com / bulongviethan@gmail.com
FAQ – Câu Hỏi Thường Gặp
Vít trí xẻ rãnh đầu nhọn khác gì vít thường?
Vít trí xẻ rãnh có đầu nhọn giúp định vị chi tiết chính xác, trong khi vít thường chỉ siết giữ mà không cố định vị trí.
Nên dùng inox nào cho vít trí xẻ rãnh ?
Môi trường khô ráo: inox 201
Môi trường ẩm nhẹ: inox 304
Môi trường hóa chất, biển: inox 316 hoặc 316L
Có nhận sản xuất theo yêu cầu không?
Hoàn toàn có! Việt Hàn nhận sản xuất vít trí xẻ rãnh đầu nhọn theo kích thước, vật liệu hoặc bản vẽ riêng của khách hàng.
Xem thêm sản phẩm liên quan:









Đánh giá
Chưa có đánh giá nào.